Headlight Switch Wiring Diagram / 5 Pin Headlight Wiring Diagram For Cars And Trucks Electrical Wiring Diagram Trailer Light Wiring Electrical Wiring : Automobile toyota highlander 2007 pocket reference manual.. Here are a few key tips before we start common automotive headlight relays. Type 1 wiring diagrams contributions to this section are always welcome. Dash lights and tail running lights out as well as driver door dome. 98 sport, anyone know where i can find the wiring diagram to the headlight switch? The first component is symbol that indicate electrical element in the circuit.

Above are a few of the typical relays you might use for switching headlights. I have this switch, headlight switch*5450558 by the jeep specialists | morris 4x4 center. Replacing the headlight switch (and most all the vw switches) is very simple. Currently my headlight is always on which i like. Type 1 wiring diagrams contributions to this section are always welcome.

Vw Headlight Switch Wiring
Vw Headlight Switch Wiring from www.jbugs.com
Explain what electrical loads are and their general purpose. Electrical symbols electrical wiring diagram mechanical engineering electrical engineering trailer light wiring engine repair car repair graffiti lettering alphabet polaris ranger crew. Scion oem style rocker switch wiring diagram. You will be able to understand specifically when the projects ought to be accomplished. Right click on the diagram/key/fuse box you want to download. Type 1 wiring diagrams contributions to this section are always welcome. Toyota 2007 yaris manual online: If the headlight relay or module do not receive voltage when the headlight switch is turned on, a bad switch is your problem.

Contributors to this page include.

Explain what electrical loads are and their general purpose. The stock has three (blue, yellow, white). Pry away the metal bands holding the harness to the chassis and untangle the harness so that it may be easily pulled 7. Home » wiring diagram » headlight dimmer switch wiring diagram. Also install the brown ground wires for the headlights at this time. The headlight switch just sends signals to the body ecu. If not, fix the ground. Install new one and connect. Wire harness installation instructions for installing. Does anyone know where i could find a headlight wiring diagram for a ta? In all basic wiring jobs you need to follow some basic rules of electricity, but it's pretty easy. 1.measure the lenght of the wire you need from the and you can add some additional headlamp or fog lamps if you want, it's just that i forgot to add an on/off switch function on the diagram. Motorcycle headlight switch wiring diagram motorcycle headlight switch wiring motorcycle light switch wiring diagram.

First study the 3 diagrams that you will use as your guide on how you want to built your wiring. Pry away the metal bands holding the harness to the chassis and untangle the harness so that it may be easily pulled 7. The schematic is nice and simple to visualise the principal of how a two way switch works but is little help when it coms to actually wiring this up in real life!! If the headlight relay or module do not receive voltage when the headlight switch is turned on, a bad switch is your problem. Light switch see note hvac side marker light park/turn signal low/high beam.

914world Com Headlight Switch Wiring Diagram
914world Com Headlight Switch Wiring Diagram from www.914world.com
Im trying to use it to run my hardtop rear wiper since i kept the yj wiper controls on the stalk. Here are a few key tips before we start common automotive headlight relays. Also install the brown ground wires for the headlights at this time. The stock has three (blue, yellow, white). There are two things that will be found in almost any headlight dimmer switch wiring diagram. Would you happen to have a diagram for the cj wiper switch? The headlight switch just sends signals to the body ecu. Contributors to this page include.

The headlight switch just sends signals to the body ecu.

First study the 3 diagrams that you will use as your guide on how you want to built your wiring. Two way switching schematic wiring diagram (3 wire control). Toyota 2007 yaris manual online: In all basic wiring jobs you need to follow some basic rules of electricity, but it's pretty easy. Above are a few of the typical relays you might use for switching headlights. Light switch see note hvac side marker light park/turn signal low/high beam. Disconnect and remove the front left harness. 1.measure the lenght of the wire you need from the and you can add some additional headlamp or fog lamps if you want, it's just that i forgot to add an on/off switch function on the diagram. Electrical symbols electrical wiring diagram mechanical engineering electrical engineering trailer light wiring engine repair car repair graffiti lettering alphabet polaris ranger crew. You will need a wiring diagram to trace the wiring circuit and find the fault. If not, fix the ground. Automobile toyota highlander 2007 pocket reference manual. Install new one and connect.

Automobile toyota highlander 2007 pocket reference manual. Switches get a lot of wear and tear, so it�s not unusual for a switch to wear out after many years of. In all basic wiring jobs you need to follow some basic rules of electricity, but it's pretty easy. Use the wiring diagram as a guide. Here are a few key tips before we start common automotive headlight relays.

914world Com Headlight Switch Wiring Diagram
914world Com Headlight Switch Wiring Diagram from www.914world.com
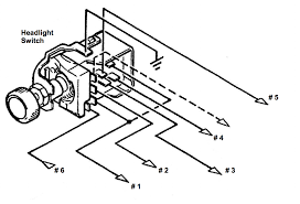
The first component is symbol that indicate electrical element in the circuit. Please download these 2000 f250 headlight switch wiring diagram by using the download button, or right click on selected image, then use save image menu. To turn on the headlights ground pin 20, should be a red wire. Also install the brown ground wires for the headlights at this time. Above are a few of the typical relays you might use for switching headlights. You will be able to understand specifically when the projects ought to be accomplished. Does anyone know where i could find a headlight wiring diagram for a ta? You will need a wiring diagram to trace the wiring circuit and find the fault.

The headlight switch just sends signals to the body ecu.

The fuse and relay are good so i want to test coming out of the switch here are the headlight diagrams you wanted i gave both drl and regular systems and a guide to help you test the headlight wiring. You will be able to understand specifically when the projects ought to be accomplished. It has two black wires. Im trying to use it to run my hardtop rear wiper since i kept the yj wiper controls on the stalk. Two way switching schematic wiring diagram (3 wire control). A neutral safety switch can be added in the purple start wire if desired optional. If the headlight relay or module do not receive voltage when the headlight switch is turned on, a bad switch is your problem. 98 sport, anyone know where i can find the wiring diagram to the headlight switch? Does anyone know where i could find a headlight wiring diagram for a ta? Would you happen to have a diagram for the cj wiper switch? Electrical symbols electrical wiring diagram mechanical engineering electrical engineering trailer light wiring engine repair car repair graffiti lettering alphabet polaris ranger crew. Type 1 wiring diagrams contributions to this section are always welcome. Fig 2 below shows how we achieve this configuration.

By